欢迎光临维保资讯--北京消防检测维保公司-3499拉斯维加斯官网(北京)消防工程有限公司官方网站!
咨询热线:010-57113119 |
仓库消防维保
专业消防维保服务公司
首页
消防维保
电检消检
灭火器年检
成功案例
仓库消防维保
单位消防维保
厂房消防维保
商场消防维保
校园消防维保
小区消防维保
医院消防维保
办公楼消防维保
幼儿园消防维保
高速路消防维保
关于我们
消防维保方案
消防维护维修
消防检测维护
消防工程施工
资质荣誉
烟感清洗
维保资讯
消防维保
公寓消防检查怎么办?3499拉斯维加斯官网消防专业消防维保,从此不惧消防检查
旅社消防检查总不过?3499拉斯维加斯官网消防维保"三查三保"体系让您的安全100%达标
如何选择靠谱的消防维保单位?3个核心标准
消防维保公司,配件更换、应急响应是否额外收费?
消防维保不合格的处罚案例:这些细节企业必须重视!
消防维保服务公司 | 科学系统维护+24小时响应,筑牢生命安全防火墙
酒店,宾馆,养老场所消防维保必看:收费标准+维保要求
2025北京地区各种场所消防维保报价
电检消检
企业消防安全必做:北京消电检检查内容、频率及收费详解
消防安全评估全流程:从费用计算到报告有效期一次说清
消防验收和竣工验收有哪些不同点
酒店先做竣工验收还是消防验收
北京朝阳区新装修办公楼消电检
幼儿园保健室消防安全评估,卫生室消防安全评估
企业什么情况要消防检测呢?企业消防设施每年需要检测吗
消防灭火器的检测内容是哪些?灭火器的基本检测有哪几项
灭火器检测
北京消防维保公司灭火器定期年检报废年限
气体灭火系统维保
七氟丙烷系统安装、调试、使用、维护
医院电气火灾监控系统方案
泡沫灭火系统检查维护
灭火器检测费用
灭火器维护保养
如何对灭火器进行检查
联系方式
联系人:郭经理
传真:010-69552656
电话:400-0346-119
电话:010-57113119
邮箱:506665119@qq.com
地址:北京通州区新华北路117
维保资讯
当前位置:
首页
>>
维保资讯
3499拉斯维加斯官网消防维保公司专业提供消防设施维护保养检测,消防维保,消防检测,消防设备安装改造工程、消防系统维修、供应消防报警设备为一体的北京专业消防维保公司.010-57113119
声光报警器发生故障需要这样处理!
声光报警器发生故障需要这样处理! 一、故障 1.声光报警器24V输入电压不正常(用万用表测量24V输入电压,一般电压在21-28V) 2.声光报警器设备损坏(更换声光报警器) 二、通讯故障 可以参考火灾探测器通讯故障的排查方法 三、在联动禁止模式下声光自己动作,...
708
2019-12-13
消火栓系统设备需要定期保养的内容规范
消火栓系统设备需要定期保养的内容规范 1)外观检测。 检测室内消火栓给水管道、消防水池/水箱稳压 装置、消火栓水枪及水带、消火栓按钮、消防水泵及各类管网 阀门等是否正常。 2)消防泵启动功能试验。 在泵房控制柜、消防中心、现场消 火栓按钮上启动消防泵、...
568
2019-12-11
火灾自动报警系统的供电应符合的规定!
火灾自动报警系统的供电应符合的规定! 1、火灾自动报警系统的主电源宜按一级或二级负荷来考虑。因为安装火灾自动报警系统的场所均为重要的建筑或场所,火灾自动报警系统如能及时、正确报警,可以使人民的生命、财产得到保护或少受损失。所以要求其主电源的可...
632
2019-12-09
消防控制系统供电需要这样符合要求
消防控制系统供电需要这样符合要求 存在问题: (1)消防控制室没有消防电源,供电不能在消防控制室实行双电源自动切换; (2)控制器主电源使用电源插头; (3)工程消防控制室报警柜、联动柜、广播柜主电源并接在一条线路上; (4)报警控制器直流备用电源...
589
2019-12-07
火灾自动报警系统出现误报有哪些原因?
火灾自动报警系统出现误报有哪些原因? 产品质量 产品技术指标达不到要求,稳定性比较差,对使用环境非火灾因素如温度、湿度、灰尘、风速等引起的灵敏度漂移得不到补偿或补偿能力低,对各种干扰及线路分析参数的影响无法自动处理而误报。 设备选择和布置不当...
545
2019-12-06
在家中请注意五种容易引发火灾的操作!
在家中请注意五种容易引发火灾的操作!冬季气温干燥,家庭防火极其重要,一旦发生火灾,不但影响家庭正常生活,还会殃及邻里,带来不良后果,因此,火灾的预防成为我们生活的必要考虑。 一、睡觉吸烟和乱扔烟头。日常生活中,吸烟引起的火灾相当严重。烟头表...
627
2019-12-02
消防设备中的火灾报警控制器有什么作用!
消防设备中的火灾报警控制器有什么作用!很多人不太清楚消防器材中火灾报警控制器的作用,我跟大家分享一下我学到的关于火灾报警控制器的知识哦。 火灾报警控制器是火灾自动报警系统的心脏,可向探测器供电,它的功能有: 1)用来接收火灾信号并启动火灾报警...
567
2019-11-30
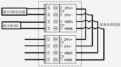
泰和安TX3502总线操作盘布线要求
1、RS485线采用RVS双绞线,截面积1.0mm2; 2、电源线采用截面积1.5mm2的阻燃线; 3、导线应有颜色标识,以防接错。 4、接线示意图如图所示:...
567
2019-11-20
北京汽车4S店消防维保检测
不论是消防工程还是消防设施,如果长时间不对其进行保养,可能会使得一些消防器材,在长久的闲置中出现故障,影响消防器材的正常使用!对火灾的防范有着极大的隐患! 所以,各个企业、各个厂区都需要定期对消防器材进行维护保养! 那么,消防维护日常保养都保养...
527
2019-03-01
泡沫灭火系统怎么安装
一、泡沫液储罐的安装位置和高度应符合设计要求,当设计无要求时,泡沫液储罐周围应留有满足检修需要的通道,其宽度不宜小于0.7m的通道,且操作面不宜小于1.5m:当泡沫液储罐上的控制阀距地面高度大于1.8 m 时,应在操作面处设置操作平台或操作凳。 二、常压...
546
2019-01-14
共214条 当前11/22页
首页
前一页
···
9
10
11
12
13
···
后一页
尾页
友情链接
消防改造
垃圾桶
天津百丰钢管有限公司
电动缸
抗爆墙一平米多少钱
手表牌子
液压活塞杆
NHBB轴承
冷热冲击试验箱
盐雾试验箱
高低温交变试验箱
危险化学品经营许可证
三效蒸发器
除尘布袋
视频监控系统
实验型喷雾干燥机
防雷检测
不锈钢金属软管
橡胶空气弹簧
不锈钢雕塑厂家
防尘试验箱
消防维保公司
金属软管
第三方消防检测公司
可视对讲
果蔬垃圾破碎机
消防维保公司
城市生命线
消防检测